Подключение проходных переключателей с 3-х мест
Если вы разобрались с принципом работы двухточечной схемы, проще будет понять подключение в одну цепь сразу 3 коммутационных устройств. Довольно часто требуется смонтировать проходной выключатель с трех мест. Например, большая прихожая с выходом в три коридора, длинный проход с ответвлением посередине. Или лестница на второй и третий этажи, с общим освещением пролетов. В каждой точке должен быть коммутатор, с помощью которого можно управлять одной светоточкой. Разумеется, требуется соблюдение общего правила: включив освещение в одном месте, вы можете погасить его в любом другом.
При такой организации питания, одинаковые устройства не подойдут. В крайних точках (это условное понятие, только для реализации схемного решения) устанавливаются переключатели. Так же, как и в двухточечной схеме. В центре монтируется так называемый проходной коммутатор с 4 контактами.
При таком подключении крайние коммутаторы работают по схеме двух точек, но включение света также зависит от положения проходного переключателя. Принципиальное отличие от двухточечной системы — свет зажигается не только в том случае, когда крайние выключатели находятся в разных положениях. Проходной коммутатор перенаправляет фазу от верхнего контакта входного выключателя на нижний контакт выходного, и наоборот. Для наглядности изобразим фазный провод разными цветами:
- Все клавиши в положение «вниз», свет не горит. Включаем коммутатор №1: по черной линии, фаза проходит через всю цепь, источник света зажигается.
- Далее нам необходимо погасить свет в районе выключателя №2. Переводим клавишу в положение «вверх», (№1 также вверху), черная линия размыкается, на входе красной линии фазы нет. Свет погас.
- Переводим клавишу выключателя №3 в положение «вверх». Замыкается цепь красной линии, свет зажегся. Для того, чтобы он погас, достаточно перевести любой из коммутаторов в другое положение.
Схема выглядит несколько мудрено, однако работает исправно, и главное — безопасно. Все манипуляции происходят лишь с фазным концом, замыкание исключено. Опять же, можно выполнить монтаж с помощью распределительной коробки, или напрямую соединить коммутаторы проводами. Во втором случае, экономия кабеля налицо.
Если возникнет необходимость создания дополнительных точек включения, используются проходные коммутаторы с 6 контактами.
Количество таких устройств неограниченно, схема подачи электроэнергии работает по такому же принципу. Любой из коммутаторов может подать напряжение на световую точку, либо выключить свет.
Конструкция и особенности проходных выключателей
Подключить провод фазы к входу в одном из проходных выключателей, на котором три выхода. При этом фаза которая подается на светоточку , не коммутируется на один из выходов, а наоборот, заводится на оба контакта, с одной стороны.
Примерно так выглядит исполненный монтаж внутри помещения, где необходима система управления из трёх мест К примеру, создавать подобную схему под условия прохождения длинного коридора, на 1 вход и 1 выход, с коммутацией в центральной зоне, явно нецелесообразно. Ноль приходит сразу на лампу, без промежуточных узлов.
Мы привыкли называть устройства включения-выключателями, но по сути это проходные и перекрестные переключатели.
Допустим, один из них будет находиться возле кровати, второй у выхода комнаты, а третий возле рабочего стола. Особого внимания требует грамотное подсоединение концов электрических кабелей, что гарантирует бесперебойную работоспособность и безопасность эксплуатации всей системы.
Аналогичное крепление оставшихся выходов. Его конструктивная особенность в том, что имеется четыре контактные точки две входных и две выходных.
Работа схемы проходного выключателя
Путаница при чередовании фазы и нуля Нужно быть очень внимательным при коммутации проводников, чтобы не произошло как на картинке ниже. Скорее всего в новых выключателях есть ночная подсветка. К примеру, такой проект: Схемотехника для проектов, требующих увеличения числа мест управления более трёх.
Таким образом, можно будет включать, и отключать свет из разных мест. Главное преимущество изделия — возможность проводить включение или выключение с двух, трёх или более точек. Как подключить проходной выключатель из 3 х мест Целесообразность применения проходных выключателей обусловлена индивидуальной планировкой помещения со светильниками, требующими регулировки из различных точек. Особенность его в том, что при помощи его можно подключить множество выключателей. Но не исключается также вариант с одной РК.
Принцип работы и схема переключателя Как выглядит схема подключения проходного выключателя? Следствие из предпоследнего правила для перекрестного коммутатора: сколько выходных пар у проходного коммутатора, столько входных и выходных у перекрестного выключателя
Не менее важно осмотреть его конструктивные особенности, так как он может быть различного вида. Схема подключения представлена ниже
В диодных лампах, например, есть свой встроенный блок питания поэтому они такие дорогие , на входе которого стоит конденсатор.
Как подключить проходной выключатель с двух точек полная схема монтажа
Преимущества использования проходного переключателя
Несмотря на некоторую сложность при монтаже, данный тип устройств обладает несомненными преимуществами перед обычными выключателями:
- схема включения устройств позволяет провести освещение территории таким образом, чтобы была возможность управлять им с любой точки;
- проходные переключатели значительно экономят электроэнергию, ведь вы будете иметь возможность быстро выключить питание лампы с любой точки дома, не возвращаясь назад к первому прибору управления.
Количество проводов, задействованных при монтаже, возрастает с увеличением количества переключателей. В данном случае рассмотрена самая простая схема на 2 выключателя. Она требует монтажа трехжильного кабеля, тогда как 3 устройства соединяют между собой 4-жильным проводом, а для 4 переключателей нужно будет уже 5 проводов.
С помощью системы проходных переключателей возможно подключение осветительных приборов разного типа, как обычных ламп накаливания, так и галогенных и диодных осветителей, а также другой электрической техники, например обогревателей.
Распространенные ошибки при монтаже
При самостоятельной сборке описанных схем хозяева квартир и частных домов допускают несколько типичных ошибок, отчего система не работает изначально или отказывает в ближайшее время. Перечислим эти недочеты и причины, их вызывающие:
- Один из выносных выключателей разрывает цепь окончательно (как правило, перекрестный), остальные тоже перестают функционировать. Это явный признак неверного присоединения контактов, нужно все проверить и подключить правильно.
- Одно из клавишных устройств быстро перегорает и его приходится часто менять. Здесь налицо высокая нагрузка от ламп на контакты переключателя, рассчитанные на максимальную мощность 2,2 кВт (ток 10 Ампер). Если ее снизить нельзя, нужно перейти на другой способ коммутации – с помощью импульсных реле с параллельным подсоединением кнопочных выключателей.
- Наблюдается периодическое мигание люминесцентных и светодиодных ламп, работающих от проходных переключателей. Причина – низкокачественные изделия с плохой изоляцией (есть утечка) либо дешевые микролампочки ночной подсветки, встраиваемые в корпуса для ориентации в темноте.

Кнопочный диммер, совмещенный с проходным переключателем
Также неполадки случаются при использовании одновременно с проходными двухпозиционными переключателями диммеров – электронных устройств для регулировки яркости свечения лампочек. Так бывает, когда вы пытаетесь собрать схему из дешевых элементов с некачественной изоляцией.
Принцип работы и отличие от обычного выключателя
От обычного коммутационного прибора проходной переключатель отличается только наличием специфичной контактной группы – с перекидными контактами. Если обычный выключатель может только замыкать или размыкать электрическую цепь, то проходной может поочередно подключаться то к одной, то к другой линии. Поэтому он фактически является переключателем.
Отличие маршевого переключателя от обычного выключателя освещения.
В продаже доступны маршевые приборы в одноклавишном и двухклавишном исполнении. В первом случае схема проходного выключателя стандартна – одна клавиша управляет одной контактной группой. Во втором – две клавиши независимо управляют каждая своей системой контактов. То есть, в одном корпусе помещены два прибора, не связанные друг с другом ни электрически, ни механически.
Использование проходного прибора в качестве обычного.
При изучении работы перекидной контактной системы напрашивается вывод, что проходной переключатель можно использовать в качестве обычного – задействовав лишь два контакта (один подвижный и один неподвижный). Для этого надо подключиться только к двум клеммам. Такое включение можно использовать, если под рукой нет обычного включателя. Но специально делать установку перекидного прибора вместо стандартного нерационально – его стоимость выше.
Может возникнуть необходимость сделать проходной аппарат самостоятельно. Самый простой вариант – заменить его двухклавишым выключателем.
Проходной прибор из двухклавишного с раздельным управлением.
Из схемы видно, что из такого аппарата легко организовать перекидную контактную группу. Но есть существенный недостаток: манипулировать надо двумя клавишами, и придется их устанавливать в противоположное друг другу положение. Это неудобно и может привести к путанице. Одновременное включение или выключение к аварии не приведет – контакты будут просто дублировать друг друга. Но и желаемого эффекта это не принесет.
У некоторых двухклавишных аппаратов две контактные группы не объединены.
Двухклавишный коммутационный аппарат с раздельными контактами.
В этом варианте можно попробовать развернуть одну из контактных пар на 180 градусов (если это позволяет конструкция выключателя). После этого останется только соединить клавиши механическим способом, чтобы можно было манипулировать контактами одновременно (например, посредством клея). Получится полноценный проходной переключатель.
Перестановка контактной пары.
Проходной прибор из двухклавишного с объединенным управлением.
Можно соорудить переходной самодельный выключатель и из обычного двухклавишника с объединенными входами, но это потребует серьезной переделки контактной группы – обрезки, перестановки и т.д. Проще купить штатный аппарат или воспользоваться переключателем для производственного применения (кнопкой с фиксацией положения или тумблером), пожертвовав эстетикой.
Рекомендуем к прочтению: Устройство и принцип работы проходного выключателя
Выбор, конструкция и отличия проходных выключателей
Прежде чем собирать такую схему управления вот на что следует обратить особое внимание:
1трехжильный2
Основное отличие обычных от проходных заключается в количестве контактов. Простые одноклавишные имеют две клеммы для подключения проводов (вход и выход), а проходные — три!
На простом, цепь освещения может быть либо замкнута, либо разомкнута, третьего не дано.
Так как он, именно переключает цепь с одного рабочего контакта на другой.
По внешнему виду, спереди они могут быть абсолютно одинаковыми. Только на клавише проходного может присутствовать значок из вертикальных треугольников. Однако не перепутайте их с перекидными или перекрестными (подробнее о них ниже). У этих треугольнички смотрят в горизонтальном направлении.
А вот с обратной стороны сразу видна вся разница:
у проходного 1 клемма сверху и 2 снизу
у обычного 1 сверху и 1 снизу
Многие по этому параметру путают их с двухклавишными. Однако двухклавишные здесь также не подойдут, хотя и имеют тоже три клеммы.
Существенна разница именно в работе контактов. При замыкании одного контакта у проходных переключателей автоматически происходит замыкание другого, а в двухклавишных такой функции нет.
Причем промежуточное положение, когда обе цепи разомкнуты у проходного вообще отсутствует.
Принцип работы и терминология
Понятие «проходной выключатель» не совсем обозначает его функциональную принадлежность. Если его применять по прямому назначению, то логичнее употреблять термин «проходной переключатель». Но в обиходе прижились оба варианты.
Проводной выключатель внешне ничем не отличается от стандартного. Разница только в организации системы контактов. Для начала вспомним как работает обычный выключатель. Основное его назначение – это размыкание и замыкание цепи. Назначения переключателя, в принципе, также.
Разницу можно заметить, если взглянуть на условные обозначения.
На рисунке видно, что переключатель оснащен третьим контактом, назначение которого разительно отличается от двухклавишного выключателя, который также имеет три контакта.
Фактически, разница работы выключатели и переключателя происходит в момент размыкания электрической цепи:
- выключатель разрывает цепь;
- переключатель разрывает одну цепь и замыкает вторую.
Вторая цепь в данном случае – это контакты парного переключателя, так как эти устройства не работают самостоятельно.
Рассмотрим схему подключения проходных переключателей с управлением из двух мест.
Принцип работы контактов такого выключателя похож на коромысло. На рынке, кстати, редко, но все же встречаются переключатели с нулевым положением, то есть разомкнутыми могут быть сразу две цепи. Проходной коммутатор можно использовать как обычный – третий контакт в таком случае не подключается.
Второй вариант, когда из обычного выключателя делается проходной, рассматривать не будем. Это было характерно для 90 лет, но сейчас на рынке представлено достаточное количество моделей по приемлемым ценам и экспериментировать в данном направлении не совсем целесообразно.
Полезные мелочи
А напоследок несколько полезных замечаний по теме:
Несмотря на то, что по сути между всеми выключателями проходит линия из двух проводников, без надобности
подключения в распределительной коробке, тянуть проводники напрямую не рекомендуется. Так будет легче
запутаться при последующем ремонте или реконструкции электропроводки. Гораздо правильнее и понятнее для
постороннего электрика (который, возможно будет иметь дело с этой проводкой), когда от каждого выключателя
кабель идет в коробку или несколько коробок.
Проводка проложена, соединения сделаны, напряжение подано, а ремонт продолжается и нет в наличии
переключателей? При необходимости в свете, вполне возможно воспользоваться обычным выключателем в качестве
временного решения. Для этого нужно соединить все проводники в неиспользуемых подрозетниках в пучки и заизолировать,
оставив только один подрозетник. В нужном подрозетнике экспериментальным или логическим путем найти нужные
два провода и подцепить к ним обычный выключатель.
На этом публикацию о проходных выключателях заканчиваем.
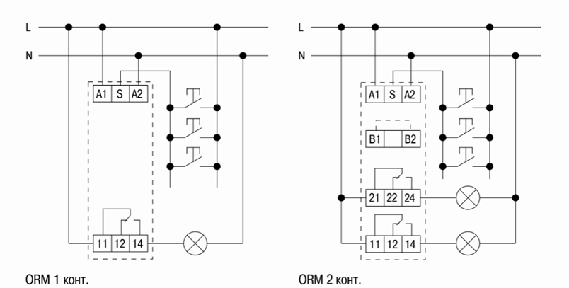
Использование импульсного реле
Проходную схему также можно организовать при помощи импульсного реле.
Какие преимущества? Главное достоинство этой схемы – неограниченное число точек управления. На каждый выключатель
нужно тянуть всего два проводника.

Какие недостатки? Необходимо установочное место в щите, а соответственно придется вести всю проводку туда же. В
качестве выключателей придется использовать выключатели кнопочного типа. Вообще, такое решение приемлемо только
при большом количестве мест управления освещением или при каких-либо нестандартных задачах.
Моделей импульсных реле много и в целом вопрос требует отдельной темы, поэтому подробности в рамках этой публикации
рассматриваться не будут.
Схема подключения проходного выключателя с 2х мест
Схема проходного выключателя с двух мест выполняется при помощи двух проходных одноклавишных устройств, которые работают только в паре. У каждого из них на месте входа есть один контакт, а на месте выхода – пара.
Перед тем как подключить проходной выключатель, схема подключения наглядно отображает все этапы, следует обесточить помещение при помощи соответствующего выключателя, находящегося в щите управления. После чего необходимо дополнительно проверить отсутствие напряжения во всех проводах выключателя. Для этого следует использовать специальную отвертку.
Для выполнения работ понадобится: плоская, крестовая и индикаторная отвертки, нож, бокорезы, уровень, рулетка и перфоратор. Для установки выключателей и прокладки проводов в стенах помещения следует выполнить соответствующие отверстия и штробы, согласно плану расположения приборов.

В отличие от обычных выключателей, проходные переключатели имеют не два, а три контакта и могут переключать «фазу» с первого контакта – на второй или третий
Прокладывать провода необходимо на расстоянии не менее 15 см от потолка. Они могут располагаться не только скрытым способом, но и быть уложены в лотки или короба. Такой монтаж дает возможность быстрого выполнения ремонтных работ в случае повреждения кабеля. Концы проводов обязательно заводятся в монтажные коробки, в которых также выполняются все соединения с помощью контакторов.
Порядок установки проходных выключателей на 2 точки: схема подключения
Все действия по установке коммутирующих устройств выполняются на основании схемы подключения из 2 мест проходных выключателей, которую можно найти в интернете. Она отличается от монтажа обычных выключателей, поскольку здесь присутствуют три провода вместо двух привычных. В этом случае два провода применяются в качестве перемычки между двумя выключателями, расположенными в разных местах помещения, а третий используется для подачи фазы.

В качестве источника освещения в такой схеме могут использоваться любые типы ламп – от обычных ламп накаливания до люминисцентных, энергосберегающих и светодиодных
К распределительной коробке должно подходить пять проводов: питающий от автомата, три кабеля, идущих на выключатели, и подключаемый провод, направленный к осветительному прибору. При построении схемы подключения одноклавишного проходного выключателя используются трехжильные кабеля. Провод «ноль» и заземление выводятся непосредственно на источник света. Коричневый провод фазы, который поставляет ток, проходит через выключатели, согласно схеме, и выводится на лампу освещения.
Переключатели подсоединяются в разрыве фазного провода, а нуль, пройдя распределительную коробку, направлен на осветительный прибор. Пропуск фазы через выключатель обеспечит безопасность во время ремонта и обслуживания светильника.
Установка проходного выключателя состоит из такой последовательности действий:
- выполняется зачистка концов проводов от изоляции;
- при помощи индикатора необходимо определить фазовый провод;
- при помощи скрутки фазовый провод следует соединить с одним из проводов на первом выключателе (здесь задействуют провода белого или красного цвета);
- выполняется соединение проводами между собой нулевых клемм переключателей;
- подключение отдельного провода второго выключателя к светильнику;
- в распределительной коробке провод от светильника соединяется с нулевым проводом;

При установке проходных выключателей самостоятельно, необходимо позаботиться о технике безопасности
Пример использования
К ситуации, когда по темному двору нужно пройти к дому, идеально подходит схема с проходными выключателями в двух местах. В частном доме легко реализовать этот проект своими руками. В прихожей рядом с распределительным щитом нужно установить распределительную коробку и один проходной выключатель. Второй – необходимо поставить с внутренней стороны на заборе возле калитки, в качестве осветительных приборов можно использовать фонарные столбы, установленные вдоль дорожки. В крупных магазинах электротоваров есть много вариантов с оригинальной декоративной отделкой.
Подключение следует сделать по вышеописанной схеме. Кабеля от уличного выключателя и между столбами рекомендуется прокладывать под землей в пластиковых трубах. Зарывать глубоко не надо, 30-40 см для защиты от механических повреждений будет достаточно. Учитывать глубину промерзания в каждом регионе нет смысла, это не водопровод, медные провода не промерзнут.
Виды проходных выключателей
Проходные выключатели классифицируются так же, как и обычные.
- По количеству клавиш:
- одноклавишные;
- двухклавишные;
- трёхклавишные;
- одно- или двухклавишные перекрёстные
(используются в тех случаях, когда управление освещением должно осуществляться из трёх или более мест).
- По типу управления:
- клавишные;
- сенсорные;
- с ПДУ
Основным критерием при выборе проходного выключателя является количество клавиш: оно должно соответствовать числу групп одновременно включаемых элементов освещения. Тип устройства (клавиши, сенсор или что-то другое) имеет второстепенное значение и целиком зависит от личных предпочтений и бюджета.
Типы выключателя на 3 точки
Выключатели с трех мест представлены двумя типа изделий: проходными и перекрестными. Последние не могут использоваться без первых. По принципу работы перекрестные делятся на:
- Клавишные.
- Поворотные. Для замыкания контактов используется поворотный механизм. Представлены разнообразным дизайном и обойдутся дороже обычных.
С учетом монтажа перекрестные делятся на:
- Накладные. Монтаж производится поверх стены, не требует создания в стене выемки для установки блока. Если отделка помещения не запланирована, то такой вариант идеален. Вот только такие модели недостаточно надежные, ведь подвержены внешним факторам;
- Встроенные. Устанавливаются в стену, подходят для работ по разведению проводки во всех типах зданий. Предварительно готовится отверстие в стене по размерам коробки переключателя.
Проходной
В проходном выключателе в отличие от классической модели встроено три контакта и механизм, который объединяет их работу. Главное преимущество изделия – возможность проводить включение или выключение с двух, трёх или более точек. Второе наименование такого выключателя «перекидной» или «дублирующий».
Конструкция проходного выключателя с двумя клавишами напоминает два независимых друг от друга одноклавишных выключателя, но с шестью контактами. Внешне проходной от обычного выключателя не отличить, если бы не специальное обозначение на нем.
Схема подключение проводов проходного выключателя в распредкоробке
Схема без заземляющего проводника. Теперь самое главное это правильно собрать схему в распределительной коробке. В нее должны заходить четыре 3-х жильных кабеля:
кабель питания с автомата освещения распредщитка
кабель на переключатель №1
кабель на переключатель №2
кабель на светильник или люстру

При подключении проводов удобнее всего ориентировать по цвету. Если будете использовать трехжильный кабель ВВГ, то у него наиболее распространены две цветовые маркировки:
белый(серый) – фаза
синий – ноль
желто зеленый – земля
или второй вариант:
белый (серый)
коричневый
черный
Чтобы подобрать более правильную фазировку во втором случае, ориентируйтесь на советы из статьи “Цветовая маркировка проводов. ГОСТы и правила.”
Сборка начинается с нулевых проводников. Соединяете нулевую жилу с кабеля вводного автомата и ноль отходящий на светильник в одну точку посредством клемм ваго.
Далее нужно соединить все жилы заземления, если у вас есть заземляющий проводник. Аналогично нулевым проводам “землю” с вводного кабеля объединяете с “землей” отходящего кабеля на освещение. Этот провод подключается к корпусу светильника.
Осталось правильно и без ошибок подключить фазные проводники. Фазу с вводного кабеля нужно соединить с фазой уходящего провода на общую клемму проходного выключателя №1. А общий провод с проходного выключателя №2 отдельным зажимом wago соединить с фазной жилой кабеля на освещение. Выполнив все эти подключения остается лишь соединить между собой второстепенные (отходящие) жилы с выключателя №1 и №2 между собой
Причем абсолютно не важно как вы их соедините
Можно даже перепутать цвета. Но лучше все же придерживаться расцветки, чтобы не запутаться в будущем. На этом можно считать схему полностью собранной, подавать напряжение и проверять освещение.
Основные правила подключения в этой схеме которые вам нужно запомнить:
- Фаза с автомата должна приходить на общий проводник первого выключателя
- Эта же фаза должна выйти с общего проводника второго выключателя на лампочку
- Два остальных вспомогательных проводника, соединяются между собой в распредкоробке
- Ноль и земля подаются напрямую без выключателей сразу на лампочки
Перекрестный
Перекрестные модели с 4 контактами, что позволяет одновременно подключить два контакта. В отличие от проходных, перекрестные модели не могут использоваться самостоятельно. Их устанавливают в комплекте с проходными, на схемах обозначают идентично.
Напоминают такие модели два спаянных одноклавишных выключателя. Специальными металлическими перемычками соединены контакты. Всего одна кнопка выключателя отвечает за работу системы контактов. При необходимости перекрестную модель можно сделать самому.

Принцип работы перекрестного отсоединителя
Проходной прибор включения и выключения света внутри имеет четыре клеммы — на вид такой же, как обычные выключатели. Такое внутреннее устройство необходимо для крестообразного соединения двух линий, которые будет регулировать выключатель. Отсоединитель в один момент может сделать расключение двух оставшихся выключателей, после чего их вместе соединяет. Результатом становится включение-выключение света.
Управление освещением с трех мест и более
Нередки ситуации, когда в жилых помещениях большой площади возникает потребность управлять освещением сразу из нескольких точек. Для создания системы многоточечного управления, позволяющей подключать и выключать свет из 3-х мест одновременно, установки одних проходных переключателей обычно недостаточно.

Для этих целей потребуется интегрировать в схему еще один элемент – перекрестный выключатель, который подключается в разрыве двухжильного провода (то есть между проходными приборами).
Если в прежние времена допустимость монтажа таких схем обуславливалась в основном планировкой помещений, то сегодня они встречаются практически повсеместно. Монтаж проходных выключателей этого типа – совсем непростое занятие. Прежде всего, потребуется ознакомиться с принципом его работы.
Принцип работы перекрестного переключателя (выключателя)
Конструкция переключателя предусматривает наличие четырех контактов, из которых два подсоединяются к клеммам одного переключателя и еще два – ко второму прибору.

Эти устройства при таком включении выполняют особые (транзитные) функции, поскольку являются в определенной степени переходными.
Наглядно посмотреть принцип работы перекрестного переключателя Вы можете на Gif-картинке, расположенной ниже.

Схема подключения проходного выключателя для управления из 3х мест
Схемное изображение подключения 2-х проходных и одного перекрестного переключателя представлено на рисунке.

Из него хорошо видно, что между двумя проходными переключателями устанавливается перекрестный выключатель, действующий в качестве своеобразного транзитного узла.
Ниже показана схема подключения проходного выключателя, на которой видно соединения всех элементов электрической цепочки управления освещением в распределительной коробке.

Видео, которое мы разместили ниже, несомненно поможет Вам собрать схему подключения трех выключателей в распределительной коробке.
Схема подключения проходного выключателя для управления из 4х мест
Для четырех точек управления потребуется применить комплексную схему распайки, изображенную на рисунке ниже. В таком комплекте используются не только два проходных, но и пара переключателей перекрестного типа.

При рассмотрении варианта управления светильником сразу из 4-х мест потребуются два перекрестных коммутирующих прибора.

При наличии в данном помещении нескольких осветительных групп предпочтение следует отдать двухклавишным выключателям перекрестного типа. Установленные таким образом проходные системы заметно упрощают процедуру управления освещением.
Схема подключения проходного выключателя для управления из 5 мест
Для управление освещением из пяти точек потребуется два проходных выключателя и три перекрестных. Схема подключения будет выглядеть следующим образом:
Схема управления освещением из пяти мест и более с помощью проходных и перекрестных выключателей (1 и 2 — проходные, х1, х2 …хn — перекрестные)





































