Введение
Как правило, больше всего сложностей возникает именно на данном этапе обустройства загородного дома.
Пожалуй, главная проблема — стоимость подключения к электросетям и согласование проектной документации и разрешительных документов. Будьте готовы решать множество бумажных вопросов.
В первую очередь нужно получить технические условия (ТУ) на электроснабжение. ТУ содержат сведения о выделяемой электрической мощности, порядок выполнения работ по электроснабжению дома. В них перечислены и требования:
- строго выполнять проект и согласовывать его возможные изменения с территориальным органом Госэнергонадзора;
- выполнять монтажные работы с привлечением организаций, имеющих соответствующие лицензии;
- проводить испытания системы энергоснабжения.
При выполнении всех условий, прописанных в ТУ, после окончания монтажа электроснабжения составляется акт допуска в эксплуатацию, который визирует инспектор Госэнергонадзора. Срок действия ТУ ограничен, как правило, одним годом. Если этот срок истек, а электрооборудование не подключено, придется получать новый комплект документов.
Следующий шаг — поиск подрядной организации, которая разработает проект электроснабжения дома. Идеальный вариант, когда проект электроснабжения и монтажные работы выполняет одна организация.
Итог работ — получение акта о допуске систем энергоснабжения в эксплуатацию. Дополнительно могут потребоваться согласования с Госэнергосбытом — организацией, которая занимается учетом потребления энергии и расчетами с потребителями.
В результате застройщик должен собрать комплект следующих документов:
- договор на оказание услуг и выполнение работ между застройщиком и подрядной организацией;
- проект электроснабжения, согласованный с Госэнергонадзором;
- протоколы испытаний электрооборудования и электропроводки сертифицированной лабораторией;
- акт выполнения электромонтажных работ организацией, имеющей соответствующую лицензию;
- договор на электроснабжение между потребителем электроэнергии и Госэнергосбытом;
- акт допуска в эксплуатацию электроустановки, завизированный инспектором Госэнергонад зора.
Еще до получения ТУ владелец загородного дома должен рассчитать, какой объем электроэнергии ему необходим, исходя из количества и мощности электроприборов. Усредненные значения потребляемой мощности некоторых электроприборов приведены в таблице ниже.
Усредненные значения полной потребляемой мощности некоторых электроприборов
Не забудьте учесть потребляемую мощность светильников. Обычно в таких приборах используются лампы накаливания мощностью 60–100 Вт, но их можно заменить более современными энергоэффективными лампами (25–35 Вт). Освещенность при этом останется прежней.
Заказать выезд инженера на объект
В процессе осмотра инженер произведет все необходимые замеры и расчеты, проконсультирует, а затем предложит варианты решения вашей задачи. В качестве бонуса будет произведен аудит вашего электрощита с выдачей рекомендаций. Цена за выезд – 5т.р., но при заключении договора на поставку и монтаж оборудования выезд – бесплатный.
Бесперебойник для дома – это современное и удобное решение на случай отключения электричества, которое обладает рядом преимуществ:
- работает полностью автоматически
- не требует обслуживания
- время переключения на питание от аккумуляторов от 0 до 20мс (ПК, газовый котел не успевают перезагрузиться)
- работает бесшумно
- дополнительно защищает потребителей от проблем с перенапряжениями
- существенно меньше требований к месту монтажа
- можно добиться запаса автономии больше, чем время беспрерывной работы генератора
- возможна интеллектуальная работа с генератором: запуск при низком заряде аккумуляторных батарей
Расчет необходимой мощности
При выборе ИБП важно уметь рассчитывать, какой показатель мощности прибора необходим для обслуживания электрической сети
Для дома
Домашние электросети потребляют много энергии, поэтому для них подходят установки мощностью 1000 Вт и более. Мощность имеет особое значение в случае, если в доме часто возникают перебои электроснабжения.
Для дачи
В дачных районах электроснабжение функционирует нестабильно, а воздух часто прохладен и сыр, и приобретаемый прибор должен хорошо выдерживать такие условия. Подойдет ИБП, снабженный режимом by-pass.
Пример расчета
Потребляемая электроприбором мощность состоит из нагрузок двух категорий — активных (измеряется в киловаттах) и реактивных (в вольт-амперах). В первую категорию входят нагрузки, трансформирующиеся в тепло (обогреватели, электрические плиты, лампы), во вторую — прочие устройства, например компьютеры и электродвигатели.
Для вычисления мощности, которой должен обладать ИБП, чтобы справиться со снабжением сети, требуется посчитать параметр каждого из обслуживаемых устройств согласно инструкции, сложить и привести к общей измерительной единице.
Что это за устройство
ИБП — это электронное устройство, которое обеспечивает бесперебойную, но кратковременную подачу электроэнергии для компьютера.
Инвертор и стабилизатор, которые регулируют подачу питания от аккумулятора
Основное предназначение данного механизма — сохранение важной информации, которая содержится на компьютере, во время несанкционированных отключений электричества или перебоев с его подачей
Этот механизм является вторичным источником питания и оборудован аккумулятором. Он может поддерживать работу не только компьютера, но и схемы управления котельной системой.
Для начала давайте посмотрим одно видео на эту тему
ИБП не подходит для постоянного питания механизмов, работающих от внешних источников питания. Для этого лучше выбрать резервный источник или генераторы.
ИБП для компьютеров и серверов
Как уже было сказано выше, изначально источники бесперебойного питания начали применяться для компьютеров и серверов. Такое оборудование отличается от других видов ИБП, поэтому стоит выделить их как отдельный тип. В чем же их особенности?
При выборе устройства бесперебойного питания для ПК и ноутбуков нужно точно замерить потребляемую мощность — безусловно, для этой цели у вас должен быть счетчик. И хотя он стоит не так дорого, он не всегда показывает правильные значения. Как же понять потребление электричества конкретным устройством? Для простоты вы можете использовать следующую таблицу значений мощности отдельных устройств:
- ЭЛТ-монитор: 80 -120 Вт;
- ЖК-монитор: 30-70 Вт;
- Рабочий (офисный) компьютер: 100-150 Вт, сейчас чаще более 200 Вт;
- Мультимедийный компьютер: 200-250 Вт, сегодня часто около 350 Вт;
- Игровой компьютер: 250-350 Вт, часто до 400-500 Вт;
- Ноутбук: 50-80 Вт;
- Нетбуки и маленькие ноутбуки: 20-50 Вт;
- Графическая станция: 250-400 Вт, а в некоторых случаях 500 Вт;
- Сетевой сервер: 300-600 Вт, но здесь разнообразие очень велико.
Конечно, вы можете просто прочитать значение электрической мощности на упаковке устройства, но на практике такие большие значения компьютерам нужны только для запуска. В действительности значения потребляемой электроэнергии зависят от множества различных факторов, и современное оборудование часто требует большей мощности для работы с приемлемой производительностью.
Сюда можно также включить мощность коммутаторов, концентраторов, периферийных устройств с питанием от портов USB и даже flash-дисков и накопителей. Поэтому округлять значение мощности «на глаз» — большая ошибка. Если вы не уверены в том, какое устройство подойдет для вашего домашнего компьютера, используйте ИБП мощностью 600 ВА — оно подходит практически для всех видов ПК.
Рекомендации по выбору ИБП для компьютера
Выбирая ИБП для компьютерной техники мы советуем придерживаться следующих рекомендаций:
Используйте несколько ИБП. Одного источника бесперебойного питания мощностью от 600 Вт может оказаться недостаточно. Если в вашем поселке часто происходят сбои электричества, лучше иметь запасное устройство, а поскольку разница в ценах между мощными и небольшими ИБП небольшая, логично выбрать такое же оборудование;
Форма выходного напряжения — как это ни парадоксально, но во-многих моделях даже дорогого компьютерного оборудования этой функции нет. Чем чище синусоида напряжения между розеткой и ПК, тем дольше прослужит ваш компьютер. Для того, чтобы сгладить перепады напряжения вы можете приобрести любой тип блока питания с приближенной синусоидой;
Сетевые фильтры — это вообще must have (прим
обязательное) оборудование для любой важной техники в доме. Хорошие модели источников бесперебойного питания уже имеют сетевой фильтр в стандартной комплектации
А вот для дешевых придется докупать отдельно;
Время автономной работы — здесь, увы, больших цифр ожидать не стоит: большинство моделей ИБП для компьютеров способны поддерживать работу устройства всего 5-10 минут. Это достаточное время для того, чтобы сохранить проделанную работу и выключить ПК. А вот для ноутбуков ИБП в принципе не нужны, потому что он продолжит свою работу даже при выключенном электричестве (просто перейдя на питание от аккумулятора). С другой стороны, сам ИБП не предназначен для использования в качестве аварийного источника питания на время нормальной работы, а только для обеспечения безопасной записи всех файлов;
Количество выходных розеток — их должно быть как минимум 2, хотя чем больше, тем лучше. Однако стоит сравнить с размером самого блока питания, поскольку каждая розетка увеличивает размеры и вес оборудования, и в небольших комнатах часто является проблемой куда поставить такой огромный блок.
Если вы ищете экономичное решение для защиты нескольких компьютеров в доме, им может стать покупка одного ИБП большой мощности (на нем меньше потерь энергии).
Какой нужен ИБП для котла?
Основное назначение ИБП/UPS – обеспечение поступления электроэнергии через заряд встроенной аккумуляторной батареи. Распространены настольные модели бесперебойников, но они больше подходят для компьютеров.
С учетом обеспечения пускового тока одной зарядки батарей хватит на 30–40 минут непрерывной работы домашней сети ГВС.
Чтобы продлить время автономии до нескольких часов, выбрать лучше такую модель ИБП, в которой предусмотрена возможность подключения дополнительных внешних батарей.
Внимание! Следует выбирать оборудование с маркировкой LT (Long Time). Это означает, что к нему подключаются и контролируются внешние аккумуляторные емкости
В качестве дополнительных батарей незаменимы гелиевые аккумуляторы.
Одновременно бесперебойники повышают качество основного электропитания, препятствуя выходу параметров за допустимые пределы.

В нашем случае приемлема стабилизация напряжения в диапазоне 220 В ± 5% с поддержанием частоты 50± 0,2 Гц.
Отличие ИБП от источника резервного питания (генератора, мини-электростанции) состоит в том, что переключение устройства в батарейный режим происходит за 3–10 миллисекунд.
В случае применения бесперебойников с двойным преобразованием частоты коммутационная задержка отсутствует вовсе.
Использование устройства с такой минимальной продолжительностью/отсутствием «паузы» не приведет к сбою в работе автоматики или остановке насоса системы ГВС.
Важно! Циркуляционный насос котла чувствителен к форме подводимого напряжения. Требуется выбрать устройство, которое инвертирует 12 В постоянного напряжения аккумулятора в переменные 220 В 50 Гц с «чистой» синусоидой
Последнее требование указывается производителями в товарных карточках оборудования. Оно означает, что коэффициент искажений синусоидального тока на выходе ИБП/UPS не превышает 8%. Соблюдение этого условия обеспечит бесшумную работу насоса и существенно продлит срок службы электродвигателя.
Виды ИБП
Всегда стремитесь покупать те инверторы, в которых изначально встроен стабилизатор напряжения.
По данному параметру ИБП можно разделить на 3 вида:
off line – какое напряжение в них подается, такое и выходит
Переменное 200В подали, такое же переменное 200В и получили на выходе. При отклонении параметров сети за минимальные или максимальные диапазоны, он просто включит инвертор и начнет забирать энергию с аккумулятора.
Некоторые удивляются, почему их АКБ так быстро разряжаются. Хотя никаких отключений вроде бы и не было. Просто проверьте входное напряжение и все станет ясным.
on-line – в них переменное напряжение сначала преобразуется в постоянное, исправляется, а затем опять выдается переменное
То есть, все плохие параметры сети (синусоида, перепады напряжения, частота) выравниваются и сглаживаются до номинальных значений.
линейно-интерактивные – в них не преобразуется частота, а есть только встроенный стабилизатор
Самые лучшие и совершенные модели на сегодняшний день это онлайн.
Их обязательно нужно устанавливать в том случае, если у вас возможно временное или длительное питание от генератора.
Там зачастую наблюдаются проблемы с частотой отличной от 50Гц.
Договор с поставщиком электроэнергии

Поставщиком электроэнергии является ПЭС – предприятие электрических сетей. Это юридическое лицо, которое осуществляет генерацию и подачу электроэнергии. Для подписания договора необходимо заявление на имя заместителя директора ПЭС с указанием данных заявителя и адресом объекта. Далее необходимо получить в ПЭС технические условия, выполнить проект. К заявлению прикладывают документы, которые подтверждают право собственности на данный дом или участок. Кроме них нужны сведения о схеме учета электричества с указанием типа, класса, места установки счетчика, его индивидуальной защиты.
Также необходимы данные об опломбировке счетчика, электроустановках для собственных нужд (оборудование для горячего водоснабжения, отопления) и протоколы проверки изоляции проводки, заземления. В случае, когда в доме или на участке уже подведено электричество, то в ПЭС нужно обращаться только с целью увеличения мощности, если есть такая необходимость.
Проект резервного электроснабжения
В проект резервного электроснабжения входит вся документация, где учитывается суммарная мощность всех автономных источников. В систему резервного автономного энергоснабжения загородного дома могут входить и ультрасовременные мини-электростанции, и традиционные источники электричества. Чем больше предполагается источников питания сети, тем больше эффективность. Однако, в такой проект должны быть внесены все показатели мощности генераторов и емкости аккумуляторов.
Проектная мощность автономного резервного электроснабжения, включая инвертор, рассчитывается так – суммарная мощность работающих устройств плюсуется и умножается на 3. Это вызвано тем, что при запуске техника тянет максимальное количество энергии. Данный показатель учитывается для того, чтобы автономная сеть справлялась с максимально возможной нагрузкой по проектной мощности. В расчеты входят потребности электропитания питаемых схемой приборов:
- активные нагревательные (плита и электрочайник, лампочки накаливания);
- индуктивные (холодильник, стиральная машина, телевизор, микроволновка и пр.)
Их потребляемую мощность суммируют (по таблице или согласно прилагаемой инструкции) и добавляют 20-25% от максимальной величины, на тот случай, если все электроприборы будут работать одновременно. То есть, небольшая дача с минимальным освещением, телевизором и холодильником будет работать по схеме резервного электроснабжения загородного дома при мощности в 2 кВт. Если пользоваться электроинструментом и другими приборами, то прибавляем еще 5-6 кВт.
Сегодня наиболее распространенные автономные резервные источники электроснабжения:
- станция бесперебойного питания;
- дизельный генератор;
- ветряной генератор;
- бензиновый генератор;
- инвертор.
1. Бензиновый электрогенератор считается одним из наиболее эффективных, хотя экономичным его не назовешь. Но для его достаточно при потребляемой мощности порядка 6 кВт. Такие источники энергии уместны там, где нет другой альтернативы, а бензин можно транспортировать без проблем. Например, если загородный дом стоит где-то у трассы или недалеко от бензоколонки.
Предлагаем ознакомиться Мыть пекинскую капусту или только оборвать верхний слой
Основные преимущества:
- почти бесшумная работа;
- хорошо запускается в зимний период;
- может использоваться как резервный источник.
2. В большом домовладении потребление энергии довольно больше, особенно если много осветительных приборов и нет другого отопления, кроме электрокаминов. При потребляемой мощности более 6 кВт специалисты рекомендуют приобрести дизельный генератор. Однако тут тоже не обойдется без значительных финансовых вложений. Зато он работает практические в любых условиях.
3. Ветряной генератор, или в просторечии «ветряк», довольно эффективен, но он может быть установлен в местности, где всегда дуют довольно сильные ветра или тянут по гонному ущелью сезонные сквозняки.
4. Среди резервных источников электроснабжения нового поколения также нередко используются импульсные конденсаторы (ИКЭ). Прекрасная альтернатива другим системам автономного электропитания, практически инновационное оборудование, которое можно приобрести в готовом виде. Эти портативные модели предлагают улучшенные характеристики бесперебойного питания, которые могут работать автономно или в системе резервного электроснабжения. Они предполагают такой комплект:
- преобразователь напряжения;
- реле переключения от сети к аккумулятору;
- зарядное устройство.
При подключении к схеме инвертора и автономных аккумуляторных батарей тоже получается мини-электростанция с достаточной мощностью.
Резервные источники питания для частного дома генераторы против батарей

Фото: ShutterStock/Fotodom.ru
В качестве альтернативных источников электроэнергии в быту на сегодняшний день применяются генераторы с двигателем внутреннего сгорания (чаще всего дизель-генераторы) и аккумуляторные батареи (АКБ), укомплектованные инвертором — преобразователем тока (из постоянного в переменный и наоборот). АКБ подключаются к сети через инвертор, с помощью него же происходит подзарядка батарей, когда электричество в сети есть.

Фото: «Солтек»
Источник бесперебойного питания, укомплектованный аккумуляторными батареями и инвертором, не займёт много места в доме
Оба типа имеют свои достоинства и недостатки. Главным минусом генераторов являются шум и выхлопные газы, производимые при работе. Зато дизель теоретически может функционировать сколько угодно, лишь бы было топливо. Во всяком случае, несколько дней подряд он проработать должен.

Фото: ShutterStock/Fotodom.ru
Для установки мощных ИБП с аккумуляторными батареями понадобится отдельная стойка
Системы, основанные на АКБ, имеют более существенные ограничения по времени работы. Обычно от нескольких десятков минут до нескольких часов. Для большей длительности потребуются аккумуляторы значительной ёмкости, и, соответственно, система получится слишком дорогой. Судите сами: недорогой дизель-генератор с выходной мощностью 2 кВт можно купить за 25–30 тыс. руб.
Комплект аккумуляторов, способных выдавать 2 кВт в течение 2–3 ч, обойдётся примерно вдвое дороже. Прибавьте к этому стоимость инвертора — минимум 30–40 тыс. руб. Полностью в сборе источник бесперебойного питания (ИБП) на полчаса-час работы обойдётся минимум в 100 тыс. руб. Зато использовать ИБП в качестве резервного источника — сплошное удовольствие. Ни выхлопа, ни шума, ни топлива, а переключение происходит практически мгновенно (генератор нужно ещё запустить).

Фото: Legrand
Модульный трёхфазный ИБП средней мощности Trimod HE (Legrand) со встроенным микропроцессором и модульной системой батарейных блоков
Для размещения аккумуляторов требуется отдельное, хорошо проветриваемое помещение, в котором устанавливаются изолированные стеллажи. Температура в нём не должна быть ниже рекомендованной производителями батарей (обычно 15 °С). Подробнее о выборе типа и марки аккумуляторов, их использовании и хранении мы поговорим в отдельной статье.
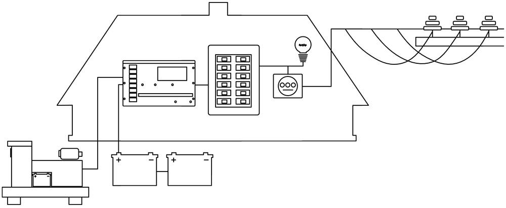
Схема системы бесперебойного электроснабжения


Фото: Legrand
Компактный однофазный ИБП KEOR S 3 кВA 20′ (Legrand), мощность от 3 до 10 кВА (от 133 тыс. руб.)
Все источники резервного питания подбираются в зависимости от мощности подключаемой нагрузки. Она зависит от потребностей домовладельцев. Чтобы её подсчитать, нужно суммировать мощность всех устройств, которые будут подключены к источнику питания. Учтите, что чем больше выйдет эта сумма, тем дороже получится ИБП, поэтому имеет смысл ограничить нагрузку, оставив только самое необходимое — аварийное освещение, питание компонентов системы отопления и водоснабжения (вентиляция, скважинный насос и т. д.). Плюс одна-две розетки, чтобы можно было подключить телевизор или другую бытовую технику.
При выборе генератора или установке инверторной системы в первую очередь нужно определиться, как часто понадобится использовать дополнительный источник электроэнергии. Так, если вы бываете на даче только по выходным в летний период, достаточно бензинового генератора. При этом нужно помнить, что бензиновые или дизельные генераторы создают во время работы сильный шум и неприятный запах. Поэтому их нужно размещать в проветриваемых помещениях с хорошей звукоизоляцией. Более удобными в использовании являются инверторно-аккумуляторные системы, особенно если вы много времени проводите на даче и бесперебойный источник энергии нужен постоянно. Такая система, как правило, состоит из инвертора, аккумуляторных батарей, зарядного устройства, которое обеспечивает заряд аккумуляторов, контроллера, следящего за зарядом батареи.
Иван Хрипунов
Технический специалист компании «Каширский Двор»
Инверторные генераторы

Инверторные генераторы устанавливают в организациях, которые используют для своей работы высокоточную технику. Они обеспечат качественную работу компьютеров, телевизоров, садовой техники и электроинструментов при отсутствии магистральной подачи электроэнергии.
Преимущества инверторных генераторов:
- высокое качество вырабатываемой энергии;
- небольшой уровень выработки вредных веществ;
- экономичность;
- малые габариты и вес благодаря соединению генератора и мотора без маховика;
- небольшой уровень вибрации и шума;
- автоматическая защита;
- надежность.
Правила эксплуатации:
- перед включением убедиться в том, что нет протечек и царапин,
- необходимо регулярно менять масло, по истечении 100 рабочих часов,
- использовать можно только рекомендуемое производителем масло,
- устранение поломок должен осуществлять специалист.
Проект электрификации загородного дома. Трехфазная или однофазная сеть?
Конечно, прежде чем чертить какие-либо схемы и идти оформлять подключение, нужно будет определиться с разновидностью электроснабжения, его источником.
В частных домах, как и в городских квартирах, может использоваться трехфазная или однофазная сеть. У той и другой разновидности имеются как свои недостатки, так и достоинства. Изначально любая промышленная сеть имеет три фазы. В многоэтажках они обычно распределяются по квартирам. При этом из-за различия в количестве используемых электроприборов нагрузка на фазовые провода часто бывает разной. В результате иногда выгорает нулевой провод. В частном доме подобных проблем обычно не возникает, поскольку хозяин один, а следовательно, контролировать нагрузку при распределении фаз гораздо проще. Однако при неправильном использовании сети разного рода проблемы — вплоть до выхода из строя электроприборов — могут возникнуть и в этом случае. Для предотвращения подобных неприятностей следует использовать стабилизатор, стоит который очень недешево. Помимо этого придется закупать оборудование и элементы, предназначенные именно для трехфазной линии. Что также влетит в копеечку. Поэтому использоваться трехфазная схема электроснабжения частного дома должна тогда, когда в этом действительно существует необходимость. То есть в том случае, если предполагается установка очень мощных приборов или оборудования – станков, электроплит и т. д.
Преимуществом однофазных сетей является относительная дешевизна и простота в использовании. Недостатком же – не слишком высокая мощность. Такую сеть целесообразнее монтировать в небольших жилых или дачных домиках.
Резервное электроснабжение: принцип работы
Энергоснабжение частного дома может осуществляться несколькими способами. В первую очередь, это сетевая линия, подающая электричество, генерируемое городской станцией. Преимуществом данной системы является то, что ток, поставляемый от организации, имеет хорошие характеристики, большую мощность и устойчивые показатели. К тому же собственнику жилья нет необходимости следить за электрооборудованием, все обслуживание системы проводят электроэнергетики со специализированной организации.
Также нередко применяется индивидуальное снабжение электроэнергией с применением альтернативных источников питания, таких как солнечные батареи или генераторы. Преимущества данной системы – это ее независимость от сетевой организации и бесперебойное снабжение током жилого помещения. Но для устройства подобной схемы понадобятся определенные знания и опыт, поэтому при планировании обеспечения дачи или частного дома электричеством именно от независимого источника стоит обратиться к квалифицированным специалистам.
Не важно, какой вид энергоснабжения выбран, обязательно нужно предусмотреть резервное питание для частного дома. Эта система позволяет организовать данный тип коммуникации таким образом, что даже во время отключения основной линии электропередачи или возникновения аварийной ситуации вместо генератора включается аккумулятор, который на протяжении некоторого времени позволяет пользоваться электричеством для поддержания хотя бы минимального комфорта и работы основных бытовых приборов
В каждой из систем предусмотрен свой тип АКБ, в зависимости от решаемой задачи.
Принцип работы резервного питания весьма прост: он заключается в непрерывном накоплении тока в емкости аккумулятора при рабочей сети. То есть в системе имеется зарядное устройство, которое подключено к АКБ и общей линии. Во время отключения тока происходит обратная реакция, и накопленная энергия устремляется на потребителя, после возникновения подачи электричества все процессы возвращаются в исходный вариант.
Какие автоматические выключатели подобрать для электрощита
Основной вопрос, затрагивающий многих пользователей: как определиться с автоматами? Расчёт номинального тока автоматического выключателя производится исходя из такого параметра как нагрузка потребителя или его мощность.

Для примера. Номинальная мощность одновременно включённых электроприборов и осветительной сети составит 15 кВт. Существует формула: P=U×I, где P-мощность, U — напряжение, I — сила тока. Если P=15000 Вт, то сила тока составит (округлив) 68 А. Это означает, сумма номинальных значений автоматов не должна превысить 68 А. Но следует помнить, что к щиту подводят трёхфазную сеть, поэтому номинальный амперах необходимо поделить на 3, что даст приблизительно 23 А. Это означает, что входной автомат следует устанавливать в 25 А.
Для осветительных сетей использует автоматы на 6.3 или 10 А. Это общепринятые стандарты, к которым удобно прибегать для экономии времени. Если всё же появилось свободное время, то можно рассчитать ампераж автомата на свет, используя вышеприведённую формулу, только P будет равно сумме мощностей всех ламп, используемых в отдельной или общей осветительной линии.
Ампераж автоматов для силовых цепей не должен быть менее 16 А. Именно такое номинальное значение позволит на протяжении длительного времени пользоваться электрическими приборами бесперебойно. Если установить автоматический выключатель с меньшим номинальным порогом, то включение бытового прибора будет восприниматься устройством как короткое замыкание на линии и автомат отключит напряжение.

Также в доме могут присутствовать и более мощные электроприборы: варочные поверхности, духовые шкафы, холодильные камеры. И если несколько розеток можно объединить в одну группу, то для таких приборов потребуется установка отдельного автомата со значением не менее 25 А. Мощность современной электрической панели может достигать 7 кВт и выше.
Выводы и полезное видео по теме
Кратко об основных характеристиках бытовых ИБП:
Разнообразие типов ИБП и их характеристик является следствием различных условий их использования: мощности и вида подключаемых приборов, параметров и типовых проблем конкретной электросети. Бесперебойник обычно не самый дорогой элемент в системе, но от него зависит стабильность ее работы. Поэтому нужно определить условия эксплуатации и тщательно подойти к выбору модели.
Остались вопросы по теме статьи? Или можете дополнить этот материал интересной информацией о ИБП? Пожалуйста, пишите свои комментарии, задавайте вопросы, делитесь опытом в расположенном ниже блоке.




































